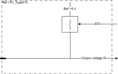
This is an internally regulated and monitored reference voltage supply for external devices.
This reference output can be switched on/off by application.
If the output current exceeds the nominal output current, then the output voltage is less than the specified voltage level.
The level of the output voltage can be monitored by application.
Electrical characteristics
|
Symbol |
Parameter |
Conditions |
Min |
Max |
Units |
|
VoLevel |
Output voltage |
Output On, Unconnected pins |
typ. 5,0 |
V |
|
|
Io |
Nominal Output Current |
Output On, Uin = 8,3 - 36 V |
0 |
350 |
mA |
|
Co |
Output Capacitance |
On each pin |
typ. 47 |
nF |
|
|
VI-max |
Max Input voltage |
Overload conditions (Note 1) |
-0,5 |
50 |
V |
|
Voltage monitoring |
|||||
|
Vo-range |
Nominal Voltage measuring range |
|
0 |
28,5 |
V |
|
Vo-prop |
Measuring accuracy |
Calculated |
|
+/-1 |
% |
|
Vo-zero |
Offset Error |
Calculated |
|
+/-0,1 |
% |
|
|
+/-28,5 |
mV |
|||
