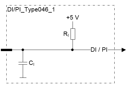
This type of pin is a digital input (DI) including a pulse counting (PI) feature.
This kind of pins have a pull-up resistor to +5 V
Pulse inputs can be used as a 1 or 2 channel pulse counter and they have a possibility for reset pulse.
Inputs of this type are also suitable for quadrature sensor position counting.
Electrical characteristics
Symbol |
Parameter |
Conditions |
Min |
Max |
Units |
RI |
Input Resistance |
Referenced to +5 V |
typ. 10 |
kΩ |
|
VIH |
Input High Voltage |
Overload conditions (Note 1) |
4,1 |
33 |
V |
VIL |
Input Low Voltage |
|
-0,5 |
3,3 |
V |
fI |
Input Frequency (frequency measurement and pulse counting) |
(Note 4, 5) |
20 |
kHz |
|
Input Frequency |
(Note 2, 3) |
1/ 2tC |
kHz |
||
tI |
Input Pulse Width |
1 |
10000 |
ms |
|
CI |
Input Capacitance |
typ. 1 |
nF |
||
Note 1: Exceeding the max value might cause damage to input.
Note 2: tC denotes the software cycle time in milliseconds.
Note 3: The pulse width must be greater that the software cycle time. For example with 50/50 pulse ratio, the pulse frequency is 1 / (2*pulse width)
Note 4: The maximum value can be reached with 50 % duty cycle.
Note 5: The maximum frequency sum for all the pins is 40 kHz.
